• トップページ
  • 新製品紹介
  • 在庫処分情報
  • 会社概要
  • 見積もり依頼
  • 注文フォーム
  • お問い合わせフォーム
 

HOME >  > ペットボトル用粉砕機/品番 DKS36/54

ペットボトル用粉砕機/品番 DKS36/54

ペットボトル用粉砕機
品番 DKS36

定価 ¥mail-
価格 ¥mail-

品番 DKS54

定価 ¥mail-
価格 ¥mail-
ペットボトル用粉砕機/品番 DKS36/54

【詳細表示】

商品番号 DKS36/54

価 格

ペットボトルを粉砕する時、最も優れた性能を発揮する粉砕機です。 ペットボトル用粉砕機

品番 DKS36
定価
 ¥mail-
特価 ¥mail-

品番 DKS54

定価 ¥mail-
特価 ¥mail-

中型機
■DKS36

●寸法図

●標準仕様
能力
(kg/H)
ホッパー口径
(m/m)
寸法
(m/m)
重量
(kg)
モーター
(kW出力)
50~150 460×245 605×920×1625 450 5.5

大型機
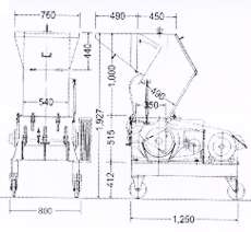
■DKS54

●寸法図

能力
(kg/H)
ホッパー口径
(m/m)
寸法
(m/m)
重量
(kg)
モーター
(kW出力)
100~250 540×350 800×1250×1927 1250 15
ページトップへ